ЧёРтИк В юБкЕ Опубликовано 10 июня, 2010 Опубликовано 10 июня, 2010 (изменено) Леха, привет! У нас не слышал, чтоб это регламентировалось, любые два, как по монтажу удобнее. неправда твоя Андрей, есть такое правило, вот так правильно :lol: нагородить ты можешь что угодно и как тебе удобно, но схемы по правилам рисуются! Изменено 10 июня, 2010 пользователем ЧёРтИк В юБкЕ
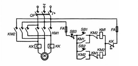
Z40 Опубликовано 10 июня, 2010 Опубликовано 10 июня, 2010 (изменено) неправда твоя Андрей, есть такое правило, вот так правильно :lol: нагородить ты можешь что угодно и как тебе удобно, но схемы по правилам рисуются! Леха, схемы одно, но в правилах то этого нет! И вообще я кое-как этот то рисунок мышкой осилил ](*,) Речь то о том, что у половины победителей! местных конкурсов, движки ВООБЩЕ не закрутились! PS. Я еще и попутал! Половина не уложилась в 90 мин., а из тех кто уложился, половина не осилила. Т.е. всего четверть справилась, а ведь были люди и с 6-и разрядами.((( Изменено 10 июня, 2010 пользователем Z40
ЧёРтИк В юБкЕ Опубликовано 10 июня, 2010 Опубликовано 10 июня, 2010 дык Андрей в конкурсах то кто участвует? тот кто начальству жопу лижет, а во время учебы книжку по электротехнике на самокрутки извел ](*,) на работе они обычно в сторонке от проводов, ибо цепануло уже пару раз и боятся :lol: а зачем ты рисовал мышью? в паинте еще небось? изврасченетс ](*,)
Кочегар Опубликовано 11 июня, 2010 Опубликовано 11 июня, 2010 (изменено) Лепездричество нука тёмная. До конца не изученая. Мне совсем не понять. Флудилка однако. Изменено 11 июня, 2010 пользователем Роман Ч
SRB Опубликовано 13 июня, 2010 Опубликовано 13 июня, 2010 Лепездричество нука тёмная. До конца не изученая. Не, там всего две возможные неисправности- либо нет контакта где надо, либо есть контакт там где ненадо... третьего не дано... =D> Р.Б.
rum Опубликовано 13 июня, 2010 Автор Опубликовано 13 июня, 2010 третьего не дано... =D> Р.Б. Ошибаешься. Сейчас очень распространено третье - развитие мозга пользователя не позволяет ему понять инструкцию по применению, даже написанную для идиотов. Поэтому, как и в случаях отсутствия контакта или наличии лишнего - агрегат не работает... Сплошь и рядом нонче...
море Опубликовано 15 июня, 2010 Опубликовано 15 июня, 2010 А мы наконец то обкатали новый мотор.... даж чуть не взлетели.... =D>
Максималист Опубликовано 15 июня, 2010 Опубликовано 15 июня, 2010 развитие мозга пользователя не позволяет ему понять инструкцию по применению Потому что у многих особей вместо мозга - межушный ганглий. Да и тот недоразвитый.
Ab$enT Опубликовано 15 июня, 2010 Опубликовано 15 июня, 2010 А мы наконец то обкатали новый мотор....даж чуть не взлетели.... :) Сердечно поздравляю !!! Счастливых полётов - во сне и наяву + 7 футов под килём !!! ВСЕХ ПОЗДРАВЛЯЮ с началом рыбной охоты. Индепенденция отменяется.
Затворник Опубликовано 15 июня, 2010 Опубликовано 15 июня, 2010 А мне больше у Z40 схема понравилась,всё просто,ничего лишнего. А то,по навтыкают предохранителей куда только можно,а потом еб#cь с ними(где взять,да то-не-тот).В итоге из схемы он пропадает,и получается как у Z40-без всяческих лишностей. :-)))
Андриян Опубликовано 15 июня, 2010 Опубликовано 15 июня, 2010 Приходят из училища, им говоришь, что бы нарисовал схему пуска двигателя, а они в ответ, что мы плохо рисуем. Ладно, вот тебе кнопки, пускатель. Думаете есть результат?! Хренасе! Чему их только учат?! Балбесы тупоргоие. И конкурс этих балбесов я тоже видел. В цирк ходить не надо.
Mcline Опубликовано 15 июня, 2010 Опубликовано 15 июня, 2010 Рассказывает охотник охотнику. Пошел я как-то на охоту, вижу в лесу берлога медведя, я в нее поорал, поплева - нифига. Тогда я туда ружьем начал тыкать, чувствую на плечи мне лапы ложатся !!! Оборачиваюсь и вижу что это мой пес Рябко, и чувствую что он меня лижет, а срать перестать не могу.
Andreigod Опубликовано 16 июня, 2010 Опубликовано 16 июня, 2010 Друзья! =D> а подскажите пожалуйста где продают в Березниках "Эхолоты" для рыбалки! =D> а то у Отца юбилей! вот хочу подарок сделать! =D>
rum Опубликовано 16 июня, 2010 Автор Опубликовано 16 июня, 2010 Вот тут рядом =D> http://berforum.ru/index.php?showtopic=103...st&p=364105 А в магазинах наших (типа торгового дома Спорт, что сейчас в Миллениуме) цены воистину конские... Наверное дешевле через инет заказать.
коляныч Опубликовано 19 июня, 2010 Опубликовано 19 июня, 2010 славная песенка! http://www.gachok.com.ua/video/video/312.html
Ab$enT Опубликовано 19 июня, 2010 Опубликовано 19 июня, 2010 (изменено) Песенка классная! Оттуда-же "Песня про рыбалку в трусах" (англ.) http://www.gachok.com.ua/video/video/235.html Или "Оргазм на рыбалке" http://www.gachok.com.ua/video/video/401.html Там мноого таких фильмецов. А кто рыбку-то ловит? А то чёто на лепездричество перешли... У Пыскора вот вчера с берега на, типа фидер с кормушкой, лещара брать начал. Крупный, грязный и в пиявках! Изменено 19 июня, 2010 пользователем Ab$enT
Ab$enT Опубликовано 20 июня, 2010 Опубликовано 20 июня, 2010 (изменено) УРА! А у меня с любимой женой сегодня почти юбилей - 13 лет со дня свадьбы. Пошел 14 год совместной жизни. Пойдём на базу. В Амуре посидим. Тортик в лодке покушаем. Романтика! Надо девушку постепенно приучать к водно-походной жизни. Изменено 20 июня, 2010 пользователем Ab$enT
Ab$enT Опубликовано 22 июня, 2010 Опубликовано 22 июня, 2010 (изменено) Народ! А ткните меня носом на карту Камы в место, где песочек и мухов с народом поменьше. Дэвушка просит с подружками свозить на лодочке, а я кроме зимних точек ещё инфу не накопил. Сегодня на керосинке был - поплавал, стёкол битых 3 мешка из воды нособирал. Ещё пару раз съездить и будет чистое место. Вода пока большая, мало песочка торчит... Изменено 22 июня, 2010 пользователем Ab$enT
samoa Опубликовано 22 июня, 2010 Опубликовано 22 июня, 2010 absent - твои отчеты о рыбалке читали весной с удовольствием - когда будет отсчет именно про рыбалку :вид рыб,эхолот,наживка способ ловли-тем более с таким аппаратом ''амур''!!!!!!!!!!!!!!
Mcline Опубликовано 22 июня, 2010 Опубликовано 22 июня, 2010 Народ! А ткните меня носом на карту Камы в место, где песочек и мухов с народом поменьше. Дэвушка просит с подружками свозить на лодочке, а я кроме зимних точек ещё инфу не накопил. Сегодня на керосинке был - поплавал, стёкол битых 3 мешка из воды нособирал. Ещё пару раз съездить и будет чистое место. Вода пока большая, мало песочка торчит... а ты их как собираешь? тоже дайверская снаряга есть?
Z40 Опубликовано 23 июня, 2010 Опубликовано 23 июня, 2010 Народ! А ткните меня носом на карту Камы в место, где песочек и мухов с народом поменьше. Дэвушка просит с подружками свозить на лодочке, а я кроме зимних точек ещё инфу не накопил. Змеевка, Мыльники, Мезень, Тайвань - много мест-то хороших...
rum Опубликовано 23 июня, 2010 Автор Опубликовано 23 июня, 2010 (изменено) Я бы посоветовал для пляжного отдыха выходного дня Козий остров, что за Орлом в Кондасском заливе. Недалеко, идеальный пляж и абсолютно продуваемое место, мухов сдувает наповал. http://www.wikimapia.org/#lat=59.344329&am...amp;l=1&m=b Изменено 23 июня, 2010 пользователем rum
Ab$enT Опубликовано 23 июня, 2010 Опубликовано 23 июня, 2010 Спасибо, но воды мнОООго, песка мааало. На ограниченной песчанной территории возникает конкурентная борьба среди пытающихся отдохнуть - тут пьют-бутылки бьют, музыка орёт - буйствует народ. А тишины охота. И птичек с рыбоньками. Вот на Козий остров вчера что-то не посмотрел, как там песочек из воды торчит. Бутылки битые всю свою сознательную жизнь собираю, людей и детей жалко - поранятся ведь, а мне в удовольствие от вреда отвратить, пользу принести. Это, типа, как рыбку отпустить. Снаряги дайверской нет, в проекте это занятие, но как EXморяку ВВМУРЭ им.АС Попова и так сойдёт. Ребята! Что-то нерадостно нифига... Смотрите чё автоветка у дома Учителя засекла. К теперешнему беспределу ГИМСа ещё такая фигня прикатила откуда-то. Как тут с индепенденцией насчёт лод.прав быть? Достал листочки с билетами, почитаю на ночь глядя, вдруг что-нибудь запомнится...
Тол Опубликовано 23 июня, 2010 Опубликовано 23 июня, 2010 Спасибо, но воды мнОООго, песка мааало. На ограниченной песчанной территории возникает конкурентная борьба среди пытающихся отдохнуть - тут пьют-бутылки бьют, музыка орёт - буйствует народ. А тишины охота. И птичек с рыбоньками. Вот на Козий остров вчера что-то не посмотрел, как там песочек из воды торчит. Бутылки битые всю свою сознательную жизнь собираю, людей и детей жалко - поранятся ведь, а мне в удовольствие от вреда отвратить, пользу принести. Это, типа, как рыбку отпустить. Снаряги дайверской нет, в проекте это занятие, но как EXморяку ВВМУРЭ им.АС Попова и так сойдёт. Кстати о мусоре.Рыбачил в Усолье,собрал мусор с петачка в костёр,прихожу через три дня-снова пакеты,туал.бумага и т.п.Мужики,давайте будем хотя бы в кучу или в костер складывать,ведь сами же придете когда нибудь на прежнее место.
Рекомендуемые сообщения
Для публикации сообщений создайте учётную запись или авторизуйтесь
Вы должны быть пользователем, чтобы оставить комментарий
Создать аккаунт
Зарегистрируйте новый аккаунт в нашем сообществе. Это очень просто!
Регистрация нового пользователяВойти
Уже есть аккаунт? Войти в систему.
Войти