Sork Опубликовано 30 января, 2014 Опубликовано 30 января, 2014 ну Азимутом пока не пользовался , Автодок по срокам ГУД
Alexber Опубликовано 30 января, 2014 Опубликовано 30 января, 2014 emexs меня недавно подвёл, недели две мой заказ не отправляли, забрал деньги перезаказал в автодоке. Раньше с емексом такого небыло :-k Да бывает у них, но от "запарок" никто не застрахован.
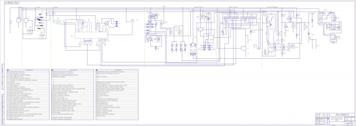
DELF59 Опубликовано 2 февраля, 2014 Опубликовано 2 февраля, 2014 погите разобратся Ока сеаз 11116(китаец) дело было так в мороз -20 заводили машинку завелась но как то не так открыли капот а там искры летают по вв проводам испугались закрыли капот бац машинка заглохла и больше незаводится выеснилось выпала клемма вв провода с крышки трамблера на свечу сейчас нет искры не на свечах не на центральном проводе начали проверять по напряжению на катушке зажигания +12 есть катушку проверил на обрыв в норме (по витковому пока незнаю) проверка датчика холла привела к раздумью сейчас 1)масса 2)+4в 3)+4в(разве не 12в) должно быть питание датчика кто знает может еще где посмотреть нуно предохранители все в норме проверил эл схема
jimm031 Опубликовано 2 февраля, 2014 Опубликовано 2 февраля, 2014 Схему свою выложенную сможешь разобрать?
DELF59 Опубликовано 2 февраля, 2014 Опубликовано 2 февраля, 2014 поправил если что есть в инете схема
jimm031 Опубликовано 2 февраля, 2014 Опубликовано 2 февраля, 2014 А датчик Холла разве настолько дорог, чтоб не поменять его при малейшем подозрении. Вообще при слёте ВВ-провода со свечи первым делом должны катушка или коммутатор умирать
Авто Опубликовано 2 февраля, 2014 Опубликовано 2 февраля, 2014 Надо выявлять неисправности а не менять все сподряд...это же деньги.
jimm031 Опубликовано 2 февраля, 2014 Опубликовано 2 февраля, 2014 Иногда проще некоторые детали заменить для исключения их из подозреваемых. Катушку да, лучше найти на время заведомо рабочую, вещь недешёвая.
Anton59 Опубликовано 2 февраля, 2014 Опубликовано 2 февраля, 2014 Где в нашем поселке можно приобрести армированный маслостойкий шланг (рукав), внутренним диаметром 9-10мм?
Blacksmith Опубликовано 2 февраля, 2014 Опубликовано 2 февраля, 2014 Где в нашем поселке можно приобрести армированный маслостойкий шланг (рукав), внутренним диаметром 9-10мм? В магазинах найди шланг для бензореза.
Anton59 Опубликовано 2 февраля, 2014 Опубликовано 2 февраля, 2014 В магазинах найди шланг для бензореза. Дима, он давление обратки ГУРа выдержит?
DELF59 Опубликовано 2 февраля, 2014 Опубликовано 2 февраля, 2014 Все сделал причина катушка зажигания поставил от ваз 2108 все заработало всем спасибо!!!!
Blacksmith Опубликовано 2 февраля, 2014 Опубликовано 2 февраля, 2014 Дима, он давление обратки ГУРа выдержит? А какое там давление?
Авто Опубликовано 2 февраля, 2014 Опубликовано 2 февраля, 2014 Дима, он давление обратки ГУРа выдержит? обратка с рейки гура без давления.
Волчок Опубликовано 2 февраля, 2014 Опубликовано 2 февраля, 2014 Где в нашем поселке можно приобрести армированный маслостойкий шланг (рукав), внутренним диаметром 9-10мм? в газовском магазине на агроснабе видел различные шланги в продаже
Anton59 Опубликовано 2 февраля, 2014 Опубликовано 2 февраля, 2014 обратка с рейки гура без давления. Змеевик перед радиатором промерз из-за стоковой жижи. Шланг порвало перед змеевиком. без давления мля...
Авто Опубликовано 2 февраля, 2014 Опубликовано 2 февраля, 2014 Ну дак когда ты подпор делаешь то давление появляется...все ж логично. Заткни кран дома и появится давление.
Anton59 Опубликовано 2 февраля, 2014 Опубликовано 2 февраля, 2014 Ну дак когда ты подпор делаешь то давление появляется...все ж логично. Заткни кран дома и появится давление. Это и без Вас было ясно, я спрашивал о торговых точках, где продают армированные маслостойкие рукава определенного диаметра. А Вы-бы лучше позаботились о возврате денежных знаков, которые взяли за заказ запасных частей на ДВС аутомобиля марки АУДИ несколько месяцев назад.
p911 Опубликовано 2 февраля, 2014 Опубликовано 2 февраля, 2014 А Вы-бы лучше позаботились о возврате денежных знаков, которые взяли за заказ запасных частей на ДВС аутомобиля марки АУДИ несколько месяцев назад. Он Вам должен или это как-то лично Вас задевает??? По этому поводу всем было всё разъяснено и все ждут когда люди сам дадут пояснения.
oleg-t Опубликовано 2 февраля, 2014 Опубликовано 2 февраля, 2014 п....ц народ, кого е..т кому, кто и сколько должен
deagle Опубликовано 2 февраля, 2014 Опубликовано 2 февраля, 2014 п....ц народ, кого е..т кому, кто и сколько должен чужое :backs: интересней считать наверно)))
Makcим Опубликовано 2 февраля, 2014 Опубликовано 2 февраля, 2014 Надо выявлять неисправности а не менять все сподряд...это же деньги. у джимма все з/ч настолько дешевы, что ему пофиг))
Авто Опубликовано 2 февраля, 2014 Опубликовано 2 февраля, 2014 Это и без Вас было ясно, я спрашивал о торговых точках, где продают армированные маслостойкие рукава определенного диаметра. А Вы-бы лучше позаботились о возврате денежных знаков, которые взяли за заказ запасных частей на ДВС аутомобиля марки АУДИ несколько месяцев назад. не думал что ты гавна кинеш в мою сторону. Чувак чини ка ты свое корыто сам и не обращайся ко мне более никогда. чужое :backs: интересней считать наверно))) когда своего нет и когда у кого то турбина на авто ценой с целое авто неимущего.
Evgenich Опубликовано 3 февраля, 2014 Опубликовано 3 февраля, 2014 А кто то может знает....у нас в городе винил кожу продают где нет?
Рекомендуемые сообщения
Заархивировано
Эта тема находится в архиве и закрыта для дальнейших ответов.